Messbereiche
500kg, 1000kg, 2000kg
Merkmale
- kombinierter Fehler: < +/-0,02 %
- OIML C3
- Edelstahl 17-4 PH
- IP68
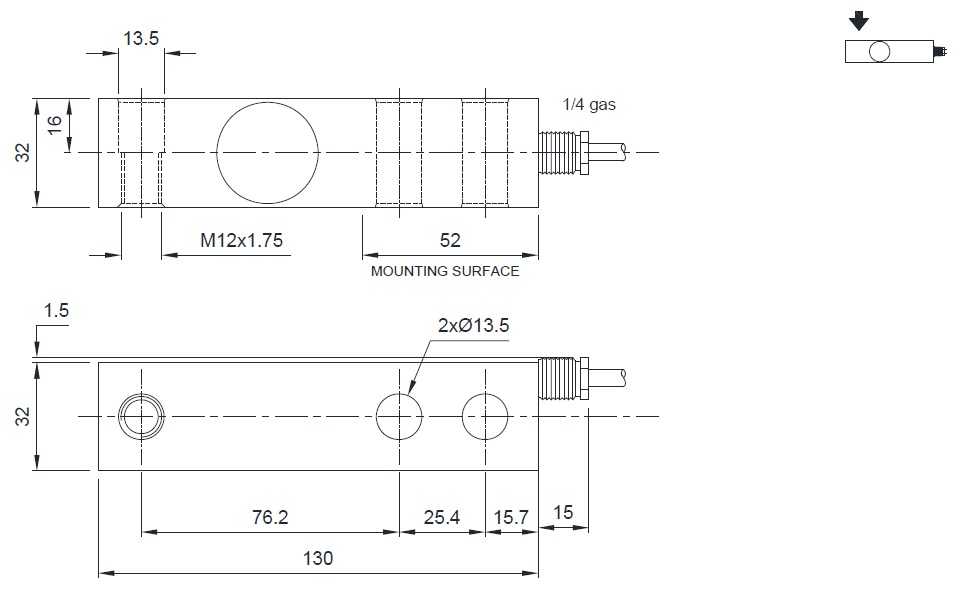
Abmessungen


500kg, 1000kg, 2000kg

Messbereiche 75kg, 150kg, 300kg, 500kg, 750kg, 1000kg, 1200kg, 1500kg, 2000kg, 3000kg, 5000kg, 10000kg Merkmale kombinierter Fehler: < +/-0,02 % OIML
Messbereiche 75kg, 150kg, 300kg, 500kg, 1000kg, 2000kg, 3000kg, 5000kg Merkmale kombinierter Fehler: < +/-0,02 % OIML C3 (1000÷5000kg) vernickelter Stahl
Messbereiche 300kg Merkmale kombinierter Fehler: < +/-0,017 % OIML C3 Edelstahl AISI 420 IP68 Abmessungen
Messbereiche 500kg, 1000kg, 1500kg, 2000kg, 3000kg, 5000kg Merkmale kombinierter Fehler: < +/-0,02 % OIML C3 (option: C4, C5) vernickelter Stahl